|
|
| |
| 0000支 架 |
|
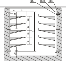
电缆桥架在电缆隧道沟内安装(二) |

电缆桥架在电缆隧道沟内安装 |
型 号
Model |
名 称
Name |
备注
Remarks |
| DAJ 2 |
电缆支架
Cable shelf |
|
| PLS |
膨胀螺栓
Expansion dolt |
|
| P1 3 |
梯 架
Ladder frame |
|
|
电缆支架间距3000mm
支架层间距离a可按用户要求供货。 n为悬臂个数
Distan between cable shelfs is 3000mm
"a"depends on the cable requirements of clients |
|
序 号
NO. |
型 号
Model |
N个 |
a(mm) |
b(mm) |
d(mm) |
e(mm) |
h(mm) |
重量:kg
Weight:kg
|
| 1 |
DZJ 1-32 |
6 |
a 1=230x2
a 2=280x3 |
210 |
470 |
56
(56 x 5) |
1450 |
15.10 |
| 2 |
DZJ 1-63 |
310 |
18.64 |
| 3 |
DZJ 1-24 |
410 |
22.18 |
| 4 |
DZJ 1-65 |
510 |
25.72 |
| 5 |
DZJ 1-66 |
610 |
29.20 |
| 6 |
DZJ 1-72 |
7 |
a 1=230x2
a2=280x4 |
210 |
750 |
63
(63 x 6) |
1730 |
20.61 |
| 7 |
DZJ 1-73 |
310 |
24.74 |
| 8 |
DZJ 1-74 |
410 |
28.87 |
| 9 |
DZJ 1-75 |
510 |
33.00 |
| 10 |
DZJ 1-76 |
610 |
37.06 |
| 11 |
DZJ 1-82 |
8 |
a 1=230x2
a 2=280x5 |
210 |
750 |
40
(6.3) |
2010 |
23.76 |
| 12 |
DZJ 1-83 |
310 |
28.48 |
| 13 |
DZJ 1-84 |
410 |
33.20 |
| 14 |
DZJ 1-85 |
510 |
37.92 |
| 15 |
DZJ 1-86 |
610 |
42.56 |
| 16 |
DZJ 1-82 |
9 |
a 1=230x3
a 2=280x5 |
210 |
750 |
56
(6.3) |
3240 |
26.50 |
| 17 |
DZJ 1-83 |
310 |
31.81 |
| 18 |
DZJ 1-84 |
410 |
37.12 |
| 19 |
DZJ 1-85 |
510 |
43.43 |
| 20 |
DZJ 1-86 |
610 |
47.65 |
|
|
| |
|