|
生根件--膨胀螺栓 (CONCRETE ANCHOR) |
|
H型外迫式内牙膨胀螺栓 (H-TYPE GRIP ANCHOR) |
 |
SH型套管式膨胀螺栓 (SH-TYPE DRIVE-SET ANCHOR) |
|
|
SLS型扭转式套管膨胀螺栓 (SLS-TYPE WEDGE SET ANCHOR) |
|
|
SLSA型扭转式平头膨胀螺栓 (SLSA-TYPE WEDGE SET ANCHOR) |
|
|
注 (Note):
1. 极限抗拉力和极限抗剪力为混凝土强度等级为C30时的数据。
2. 本页膨胀螺栓的安全率采用静载荷为4-5倍,动载荷为8-10。
1. Recommended Load base on concrete strength C30.
2. Concrete Anchor Saferty Fator Static LOAD 4-5,Vibrative Load 8-10. |
膨胀螺栓选用说明:Instruction to the selection of Concrete Anchor bolt: |
1. 表中所列极限抗拉力和极限抗剪力为单纯拉和单纯剪时的最大值。对同时受拉和受剪的状况,
应按下式计算: |
|
|
| In the data table shows the Max.Pullout Strength and Max.Shear Strength in case of the combine force considered use the Formula as follow: |
|
|
P: Actual Pullout Strength of Anchor.
Q: Actual Shear Strength of Anchor.
Pu: Long terms allowable Pullout Strength of Anchor.
Qu: Long terms allowable Shear Strength of Anchor. |
2. 表中所列极限抗拉力和极限抗剪力是在混凝土强度为C30时的允许最大值,对强度大于C30的混凝土,许用值可略为增大,对强度小于C30的混凝土,许用值应相应削减。
In the data table shows the Max.Pullour Strength and Max.Shear Strength are on the basis of concrete strength C30. |
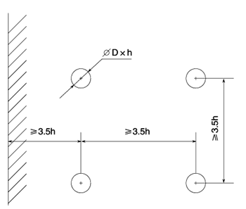
3. 膨胀螺栓与混凝土结构边缘的间距,膨胀螺栓之间的间距,宜大于3.5倍孔深。见下图
The edeg distance or span of the Concrete Anchor Bolts is 3.5 times hole depth. |
|
|
|