典型组合--部件的分类
典型组合-- 组合图例
吊配管部件--型钢及附件
吊配管部件--管卡、管束
吊配管部件--生根件
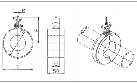
吊配管部件-- 防震件
吊配管部件--连接件
管道支吊设计
 
 
00多功能挂系统:
材质:RIGID POLY URETHANE
 特性:隔热性能优良 (Outstanding thermal insulation)
◆压缩强度超群 (High compressive strength)
◆难燃性特优 (Flame retardant)
◆使用温度范围广 (Wide thermal range)
◆不吸水、不吸湿 (No water or moisture absorption)
◆施工容易,美观大方 (Easy construction,handsome and generous)
◆彻底消除配管支撑部分的结霜现象与防止能量的流失。
(Protection against water condensation and heat loss at piping supports)
速丽保
用途:冷温水管、冷水管、冷媒管、温水管、液化瓦斯管…等保温支撑材。

1. 隔热性能优良。(Outstanding thermal insulation)
速丽保,系由硬质P.U.发泡制做而成之独立气泡体,高密度、隔热性能特别优良。
2. 耐压缩强度超群 (High compressive strength)
速丽保最适合于配管支撑部分,其耐压缩强度超群,常温时,一平方公尺能承受450公吨以上的压力,甚至于100—200℃之高温时亦
能承受220公吨以上之压力。
3. 难燃性特优 (Flame retardant) 速丽保含有特殊难燃添加剂,难燃性特优JIS-K7201;GB/T2406-1993燃烧性试验法含氧指数维持在
28%以上。
4. 使用温度范围广 (Wide thermal range) 速丽保使用温度范围宽广-20℃-135℃均能使用。
5. 不吸水、不吸湿 (No water or moisture absorption) 速丽保系由独立气泡形成,且表面有固态皮膜形成,故不吸水、不吸湿。
6. 精密钢模制作,气密性特优 (Very air-tight) 速丽保系由精密钢模制作一体成形,气密性特优,施工简易、快速、节省工时、降低成本。
7. 彻底消除配管支撑部分的结露、滴水现象、防止能量的流失。(Protection against water condensation and heat loss at piping supports)
SLS型安装图                 SLU型安装图
SLS灯笼型速丽保 (SLS-TYPE SLEEPER)
 
佛山市利华昌五金电器有限公司
电话:0757-26603391/92/93/95 传真:0757-26603396
网站备案/许可证号:粤ICP备05074355号-1